Priselec

A9E21181 Schneider – Relais de controle d’intensite 0,15 a 1,5A ou 1 a 10A

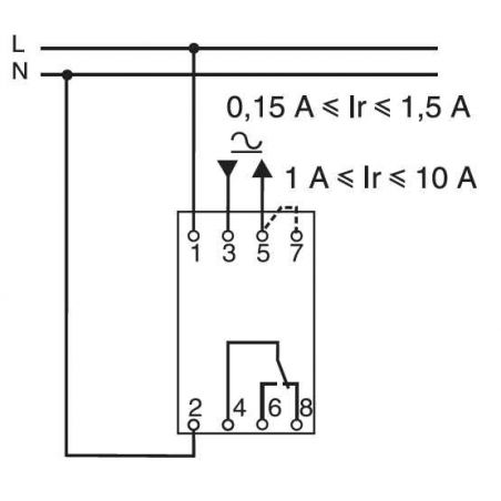
A9E21181 Schneider – Relais de controle d’intensite 0,15 a 1,5A ou 1 a 10A

117,10  TTC 97,58  HT
Relais de contrôle de courant 1OF (inverseur) – Acti9 iRCI – Schneider A9E21181 Ce relais de contrôle d’intensité fait partie de la gamme Acti9 iRCI de chez Schneider Electric et permet le contrôle d’intensité sur une plage de 0,15A à 1,5A ou 1A à 10A . Ce relais dispose de contact 1OF (inverseur). Transformateur TOR vendu séparément. De format Modulaire il s’intègre sur le rail DIN de votre armoire electrique Les fonctions du relais de contrôle de courant Schneider A9E21181
  • Surveille le courant (Ir) circulant dans un circuit CA ou CC et signale tout franchissement du seuil paramétré
Questions et réponses Ajouter à la comparaison Supprimer de la comparaison

A9E21181 Schneider – Relais de controle d’intensite 0,15 a 1,5A ou 1 a 10A

Schneider
Réf. fabricant : A9E21181

Caractéristiques principales du Relais de contrôle de courant Schneider de référence A9E21181 :

  • Gamme de produit : Acti 9
  • Nom du produit : Act 9 iRC
  • Type de produit ou équipement : Relais inverseur pour VMC
  • Nom de l’appareil : IRCI
  • Application : Relais de contrôle d’intensité
  • composition de contacts de signalisation : 1 F/O
  • Complémentaires [Ie] courant assigné d’emploi : 8 A à 250 V CA (cos Phi = 1)
  • Indication de tension : Rapports si le seuil préréglé est atteintLed rouge pour défautLed verte de mise sous tension
  • type de réglage : Sélectionné par câblage: plage de mesureCommutateur: surintensitéCommutateur: sous-intensité
  • seuil de déclenchement : 10…100 %
  • Plage d’entrée analogique : 1 à 10 A CC0,15 à 1,5 A CC1 à 10 A CA0,15 à 1,5 A CA
  • hystérésis : 5?50 %
  • Plage de temporisation : 0,1?10 s
  • erreur de précision : +/- 10 %
  • [Us] tension d’alimentation : 230 V CA à 50/60 Hz
  • Puissance consommée en VA : 3 VA
  • Puissance dissipée en W : 2 W
  • Mode d’installation : Fixe
  • Support de montage : Rail DIN symétrique 35 mm
  • Pas de 9 mm : 4
  • Hauteur : 88,1 mm
  • Largeur : 36 mm
  • Profondeur : 67 mm
  • Poids du produit : 215 g
  • Couleur : Blanc
  • Type de raccordement : Borne du type à cage6 câble(s) 1,5 mm² rigide
Type de produit :
Relais de contrôle de courant
Type de contact :
1OF (inverseur)
Gamme :
Acti9
Famille :
iRCI
Format :
Modulaire
Pays de fabrication :
Italie
Garantie :
18 mois
prix TTC_MKP :
119,531
actif_MKP :
1
Coefficient_MKP :
1,15
Fiche technique :
https://www.se.com//fr/fr/product/download-pdf/A9E21181
PriceObservatory :
1
Date disponibilité :
2025-11-24T00:00+0100
Actif AMA-LER-CDI :
0
Actif Manomano :
0
Actif Ebay :
0
Actif Castorama :
0
Type de produit :
Relais de contrôle de courant
Type de contact :
1OF (inverseur)
Gamme :
Acti9
Famille :
iRCI
Format :
Modulaire
Pays de fabrication :
Italie
Garantie :
18 mois

0.0

sur 5

(0 avis)

5 Étoile
0
4 Étoile
0
3 Étoile
0
2 Étoile
0
1 Étoile
0

Aucun avis trouvé.

Laissez votre avis

Produits Similaires

0
    0
    Votre panier
    Votre panier est videRetour à la boutique
    Retour en haut
    Sélectionnez plusieurs articles à comparer.